銅合金的熱處理--軟化退火
軟化退火:即兩次冷軋之間以軟化為目的的再結晶退火,亦稱中間退火。冷軋后的合金產生纖維組織并發生加工硬化,經過把合金加熱到再結晶溫度以上,保溫一定的時間后緩慢冷卻,使合金再結晶成細化的晶粒組織,獲得好的...
查看詳情熱門搜索:
軟化退火:即兩次冷軋之間以軟化為目的的再結晶退火,亦稱中間退火。冷軋后的合金產生纖維組織并發生加工硬化,經過把合金加熱到再結晶溫度以上,保溫一定的時間后緩慢冷卻,使合金再結晶成細化的晶粒組織,獲得好的...
查看詳情
1)不同煙氣余熱資源余熱鍋爐定制技術。針對不同爐窯煙氣余熱,重點分析燃料種類、流量變化、溫度波動、爐壓要求、空間位置受限等因素,定制合適的余熱鍋爐類型、出力、蒸汽壓力及溫度等關鍵工藝參數。確保煙氣余熱...
查看詳情
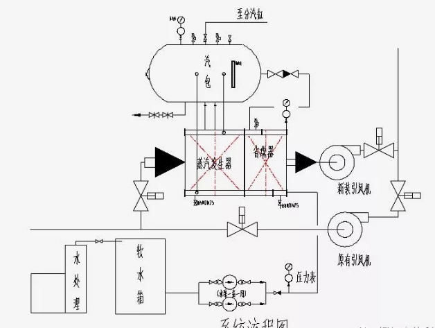
煙氣系統工藝 煙氣系統工藝流程如圖1。軋鋼生產線的廢氣改造前從煙道至煙囪直接排出,為回收余熱,在軋鋼生產線煙道的調節閥后引出余熱系統的進口煙道,煙氣在余熱系統換熱后經新增風機后通過余熱系統出...
查看詳情
軋鋼工序中典型的用能設備為爐窯。爐窯煙氣余熱除了少量用于預熱空氣和燃氣外,其攜帶的大量余熱資源未被充分回收利用,且不同爐窯排煙溫度也不盡相同,通常在250-700℃之間直接排人大氣,造成能源浪費。本文...
查看詳情
西寧特鋼連續式退火爐工藝優化
西寧特鋼技術質量中心在優化連續式退火爐工藝方面取得了顯著成效 為了充分發揮精品小棒材線廠連續式退火爐的設備能力,解決待退火材料積壓過多、鋼材交貨周期長等問題,從今年開始,技術質量中心對金舟和洛伊... 【更多詳情】
中冶南方熱工公司連續式退火爐項目
值此國慶中秋佳節之際,中冶南方熱工公司秉承“一天不耽誤,一天不懈怠”的中冶精神,聚在一起,克服困難,真誠與有關方面合作,確保眾多項目如期完成項目節點,用實際行動向祖國贈送禮品! 1780熱連軋加... 【更多詳情】
連續式退火爐輥直徑不同?
連續式退火爐框架采用各種型鋼焊接而成,外框采用槽鋼作為主梁,圍板采用冷薄板,主梁采用臺車用槽鋼,底板和前后端板采用中板。 傳動部分:臺車采用電機和減速器通過鏈條驅動前端的一組驅動輪。爐門驅動采用... 【更多詳情】